Электрический котел Эван ЭПО-24 (11055)
• Самовывозом
• Курьером
• Доставка транспортной компанией
• Доставка СДЭК с получением в ПВЗ или на адрес
•Наличный расчет
• Оплата по карте (QR-код)
• Безналичный расчет для юридических лиц, ИП или для физических лиц
• Кредит
Компания Эван занимается производством и разработкой широкого спектра отопительного оборудования: электрические и твердотопливные котлы, накопительные и электроводонагреватели, тепловые насосы и теплонакопители. В настоящее время компания входит в состав международного концерна NIBE Industrial AB. Сеть представительств компании насчитывает около 110 организаций, как в России, так и в странах СНГ.
Электрические отопители выпускает в пяти классах, от класса эконом до класса люкс. Котел Эван ЭПО-24 относится к классу «Стандарт-Эконом». Он используется для отопления жилых, производственных и других помещений небольшой площади. Котел может быть как основным, так и резервным источником отопления. Его рекомендуется эксплуатировать в помещениях с естественной вентиляцией воздуха.
Котел Эван ЭПО-24 относится к приборам с первым классом защиты от электрического тока и подключается к однофазной трехпроводной электрической сети.
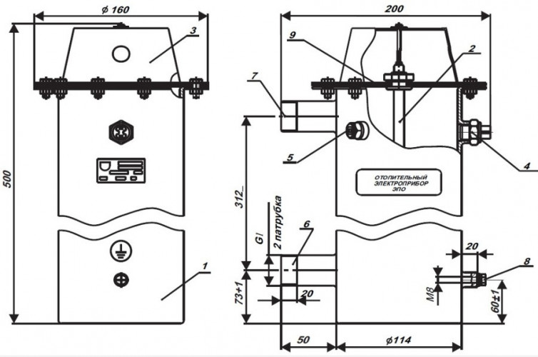
Котел состоит из корпуса с входными и выходными патрубками, крышки с ТЭНом из нержавеющей стали и регулятором температуры. Прибор устанавливается на стену в вертикальном положении. В качестве теплоносителя разрешается использовать воду или низкотемпературную жидкость без механических примесей.
Основными отличительными особенностями электроотопителя Эван ЭПО-24 является наличие аварийного термовыключателя, три пульта управления (аналоговый, электронный, модернизированный), а также экологичность, полная автоматизация управления и низкая стоимость.
Для продолжительной безопасной работы необходимо проводить регулярное техническое обслуживание прибора, кроме того, каждые 5 лет специалист сервисной службы должен проводить освидетельствование котла Эван ЭПО-24.
Электрический котел Эван ЭПО-24 поставляется в комплекте со шнуром и вилкой, регулятором температуры теплоносителя, пультом управления, аварийным термовыключателем, инструкцией по эксплуатации и гарантийным талоном.
Электрический котел Эван ЭПО-24 (11055), как и другие товары в категории электрические котлы представлены в каталоге интернет-магазина «Котел Маркет» по низкой цене от 4 900 руб. Посмотреть технические параметры, изображения и подробное описание, а так же ознакомиться с отзывами других покупателей про данный товар, для того чтобы верно выбрать и приобрести онлайн именно тот товар, который решит поставленные Вами задачи.
Рекомендуем купить электрический котел Эван ЭПО-24 (11055) по выгодной цене 53 000 руб. в Томск для обновления вашей системы отопления или водоснабжения. Все производители в категории котлы отопления обеспечивают повышенную надежность всей выпускаемой продукции, а так же дают расширенные гарантийные обязательства изготовителя, которые быстро выполняются благодаря, наличия обширной сети авторизованных сервисов.
Купить электрический котел Эван ЭПО-24 (11055) оформив заказ через корзину на сайте интернет-магазина «Котел Маркет» или через форму «Быстрый заказ» для быстрой покупки в один клик. Заказ обратного звонка позволяет обозначить ваше желание в приобретении конкретного товара или подбора нужного варианта. Консультант интернет-магазина перезвонит вам в течение получаса, чтобы рассказать про все особенности выбора электрические котлы, уточнить ваши предпочтения и предложить аналоги из наличия по лучшим ценам и, следовательно, завершить оформление заказа
Электрический котел Эван ЭПО-24 (11055) — купить сегодня с доставкой и гарантией по выгодной цене на сайте «Котел Маркет», прежде всего выяснив наличие или срок поставки. Получить заказ возможно в Томск, а так же на всей территории России, удобным для покупателя способом, для чего необходимо перейти в соответствующий раздел сайта про варианты доставки и точки самовывоза.
Бренд | Эван |
Глубина, см | 22 |
Номинальный ток, A | 50 |
Режим работы | Отопление |
Ширина, см | 27 |
Min давление отопит контура , Атм | 0,5 |
Высота, см | 56.5 |
Присоединительный ø контур отопления, дюйм | 1 1/4 |
Габариты (ВхШхГ), см | 56,5х27х22 |
Max давление отопит контура , Атм | 3 |
Регулировка мощности | Ручная |
Вес, кг | 15 |
Max мощность, кВт | 24 |
Min полезная мощность, кВт | 8 |
Гарантия | 1,5 года |
Производство | Россия |
Количество ТЭНов, шт | 3 |
Напряжение, В | 380 |
Код производителя | 11055 |
Потребление, кВт/ч | 24 |
Тип установки | Напольный |
Страна | Россия |
Площадь отопления, м² | 240 |


































































































